特點
海灣JTG-ZM-GST9614點型紫外火焰探測器為感光型火災探測器,它通過探測物質燃燒所產生的紫外 線來探測火災,適用于火災發生時易產生明火的場所。對發生火災時有強烈的火焰輻射或無陰燃階 段的火災以及需要對火焰作出快速反應的場所均可采用本探測器。防爆性能符合 GB 3836.1《爆炸 性氣體環境用電氣設備 第 1 部分: 通用要求》及 GB 3836.2《爆炸性氣體環境用電氣設備 第 2 部 分: 隔爆型 “d”》標準要求,同時還滿足 GB 12791《點型紫外火焰探測器技術要求及試驗方法》 中的各項要求。
探測器有編碼和非編碼兩種工作模式。探測器與我公司生產的火災報警控制器以總線方式連接 時,探測器工作在編碼模式,探測器從總線獲取電源并通過總線傳遞信息;探測器與DC24V電源連接 時,探測器工作在非編碼模式,探測器通過輸出不同的電阻值向外傳遞信息。
本探測器防爆類型為 ExdIICT6,適用于防爆 1 區、2 區各種防爆場所,可根據現場環境選用。 傳感部件選用技術先進的紫外光敏管,具有靈敏度高,性能可靠,抗粉塵污染、抗潮濕及抗腐蝕能 力強等優點。
主要技術指標
(1) 工作電壓:編碼模式:額定工作電壓:總線 24V 電壓允許范圍:總線 16V~28V 非編碼模式:額定工作電壓:DC24V 電壓允許范圍:DC20V~DC28V
(2) 工作電流:編碼模式:監視電流≤2mA 報警電流≤3mA 非編碼模式:監視電流≤13mA 報警電流≤23mA
(3) 指示燈:報警確認燈,紅色,監視狀態閃亮,火警時常亮
(4) 光譜響應范圍:185nm~260nm
(5) 探測角度≤1200
(6) 探測距離:探測器設有二個靈敏度級別,不同的靈敏度級別對應著不同的探測距離。對于放置 于底面積為 33cm×33cm,高為 5cm 的容器中的 2000g 工業乙醇(乙醇含量 90%以上)燃燒產生的火 焰:Ⅱ級,17m;Ⅲ級,12m
(7) 外殼防護等級:IP66
(8) 使用環境:溫度:-20℃~+60℃ 相對濕度≤95%,不結露
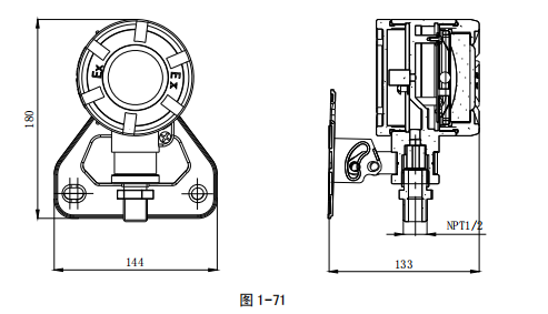
(9) 外形尺寸:180.5mm×144mm×133mm
在下列情形的場所,不宜使用本探測器
? 可能發生無焰火災;
? 在火焰出現前有濃煙擴散;
? 探測器的“視線”易被遮擋;
? 探測器易受陽光直接或間接照射;
? 現場有較強紫外線光源,如鹵鎢燈等;
? 在正常情況下有明火、電焊作業以及 X 射線、弧光、火花等影響。
結構特征、安裝與布線
探測器外殼零件采用鋁合金制成,含鎂量小于 6%,有足夠的機械強度,經水壓試驗 1.5Mpa, 歷時 10s 無滴水和 變形,能承受 7J 沖擊能量,更高 表面溫度不超過 85℃。探測窗口采用石英 玻璃,可透過紫外線,能承受 2J 沖擊能量。
探測器外形結構如圖 1-71 所示:

探測器的安裝方式有兩種,一種是安裝在墻壁上,另一種是安裝在頂棚上。探測器附件備有卡 箍和壁板,用于探測器的安裝,卡箍和壁板結構示意圖如圖 1-72 所示。壁板用三個 M6?60 的膨脹 螺栓直接固定在墻壁或者頂棚上,卡箍用來連接探測器和壁板。 通過調節探測器和卡箍,可以使探 測器向上轉動 18°,向下轉動 50°,左右轉動各 90°。安裝時,先把卡箍套在探測器的支撐軸上, 然后通過固定螺栓 1 將卡箍連接到壁板上,接好探測器連接線。調節探測器和卡箍,使探測器正對被保護區域,然后擰緊固定螺栓 1 和固定螺栓 2,將探測器固定好。

探測器接線端子如圖 1-73 所示:

其中:
Z1、Z2:編碼模式時接火災報警控制器總線,無極性。
非編碼模式時接 DC24V 電源,無極性。
K1、K2:只用于非編碼模式,通過輸出不同的電阻值表示不同的狀態:火警狀態短路;正常 狀態為 4.7kΩ;故障狀態斷開。
布線要求:
現場布線采用截面積大于等于 1mm2 ,外徑為φ8 mm 的屏蔽耐火電纜,接線步驟如下:
(1)旋下探測器后蓋和接線壓緊螺母;
(2)將電纜線依次穿過壓緊螺母、金屬墊圈、橡膠密封圈,留出適當的長度;
(3)將電纜線剝去外皮留出金屬導線 5mm,將橡膠密封圈、金屬墊圈、壓緊螺母連同電纜一同 旋進探測器殼體,用扳手將壓緊螺母旋緊為止;
(4)將電纜的金屬線頭與探測器接線端子對應相接,將電纜的屏蔽接入探測器外殼內部保護地 接線處; (5)將探測器后蓋用工具旋緊,從探測器外殼保護地接線處將探測器外殼接入保護地;
(6)檢查探測器后蓋、電纜壓緊螺母確定已旋緊,然后可進行控制器端的接線。
安裝完成后需做如下檢查:
(1)外殼表面應無裂紋、孔洞,底殼、后蓋連接牢固;
(2)探測窗無劃傷、裂紋;
(3)進線口處應有密封圈;
(4)密封圈與電纜線徑吻合;
(5)進線口鎖緊螺母已鎖緊;
(6)接地標識處有接地線。
遮光罩的選用
對于現場有陽光直射或反射到紫外探測器的情況,可考慮使用遮光罩:
a) 半遮罩
能遮擋來自探測器上方的光線,適用于探測器壁掛安裝并對斜下方進行火焰探測報警的情況。該遮光罩 直接固定于探測器殼體上,安裝示意圖如圖 1-74 所示:

b) 全遮罩
能遮擋來自探測器視窗四面的光線,適用于探測器吸頂安裝并對正下方進行火焰探測報警的情 況。該遮光罩直接固定于探測器殼體上,安裝示意圖如圖 1-75 所示,注意此時探測器的保護面積 有所變化,可按公式πh2 tg2 а計算,其中安裝高度 h 更好 小于 10 米。



蘇公網安備32058102002318號
客服1